시장에 대해
시장의 구조화
시장은 3개의 축으로 구조화 될 수 있다. 섹터별(밸류체인별) 지역별 제품별. 이때, 산업별 구조화는 해당 사업이 포함된 산업전체의 밸류체인을 통해 구조화의 축을 마련할 수 있다. 세로에 제품별, 가로에 섹터별(밸류체인별) 테이블을 작성하면, 타겟 산업과 전후방으로 연관된 타 산업군을 파악할 수 있어서 전략적인 시야를 확보하는데 도움이 된다.
아래의 예는 제약섹션을 세로축: 제품별, 가로축: 밸류체인별로 나누어 제약업계에 해당하는 모든 시장을 분석해놓은 테이블이다.

밸류체인에 대해
밸류체인이란?

밸류체인이란 원료부터 소비자(최전방시장)의 손에 제품/서비스가 들어가는데까지 관련되는 모든 프로세스들을 하나의 연결고리로 엮은 개념이다(원료부터 최종 소비자에게까지 이르는 전 프로세스는 분석 타겟 시장보다 범위가 넓을 수도 있다).
B2B B2C냐에 따라 전방시장이 기업일수도 일반소비자일 수도 있으나, 결국 일반소비자의 구매에 의해서 수요가 창출되는 최전방시장 까지의 흐름( 최종적인 일반소비자에게 까지 이르는 전 과정) 을 살펴보는 것이 좋다. 그래야 후방, 전방산업에 대한 이해를 심화시키고, 변화된 변수에 따른 통찰력을 발휘할 수 있다.
또 하나 밸류체인에서 중요한 것은, 프로세스 사고에 기반해 각 체인 사이사이가 더욱 구체적으로 세분화될 수록 통찰력을 발휘할 기회가 많아진다.
비즈니스 모델의 개념과 밸류체인의 개념이 혼동될 수 있는데, 밸류체인은 비즈니스 모델의 광의의 개념이라고 볼 수 있다. 어떤 사업이 돈을 창출하는 구조가 비즈니스 모델의 개념이라면, 그 개념을 전후방 시장으로 폭넓게 확장한것이 밸류체인의 개념이다.
밸류체인 분석에서는 아래와 같은 유의점이 있다.
- 밸류체인은
최종소비자를 목표로 두고, 그곳까지의 이르는 모든 프로세스를 고려해야 한다. - 각 프로세스 사이사이의 프로세스가
더욱 디테일 할 수록밸류체인의 세부적인 곳까지 이해할 수 있기 때문에 더 큰 인사이트를 발휘할 수 있다. - 수평적 밸류체인 분석 뿐만 아니라 수평적 분석이후 수직적 밸류체인의 분석으로 넘어가면 더 넓은 통찰력을 발휘할 수 있다.
- 제품을 판매하는 기업의 경우, 그 제품에 들어가는 세부부품을 쪼개보면 전체적인 밸류체인을 파악할 수 있다.
밸류체인內 비즈니스 모델 분석: 유저 다이아그램
전체 밸류체인에 관여하는 모든 플레이어들과 플레이어(회사) 간에 거래되는 리소스를 보기쉽게 조망할 수 있는 다이아그램으로 전체 밸류체인에서 어떤 플레이어가 높은 수익을 가져가고 어떤 플레이어가 낮은 수익을 가져가는지 수익구조를 파악할 수 있다. 유저 다이아그램은 아래와 같은 장점이 있다.
- 플레이어별로만 구조화가 이루어지기 때문에, 복잡한 시장을 단순화해서 표현할 수 있다.
- 시장의 파악보다는 비즈니스모델을 분석하는데 적합하다.

밸류체인 분석법: 액티비티 시퀀스 다이아그램
밸류체인 분석의 일반적인 분석법으로, 원료에서 사용자에게까지 이어지는 업무와 시간별로 분석한 다이아그램. 아래와 같은 장점이 있다.
- 수직적 밸류체인 분석을 더해 각 시장의 스코프(각 시장에서 하는 일, 시장의 범위) 를 파악 할 수 있다.
- 유저 다이아그램의 경우 플레이어별로 구조화가 이루어지기 때문에, 한 플레이어가 행하는 업무에 대해서는 블랙박스이다. 액티비티 시퀀스 다이아그램은 업무별로 구조화가 이루어지기 때문에, 시장에서 이루어지는 일들에 대해 더욱 세부적인 이해가 가능하고, 이에 따라 시장을 더 세부적으로 쪼개서 볼 수 있다.
- 원료부터 소비자에게 이르기까지 거쳐지는 시장끼리의 관련성을 파악할 수 있다.


밸류체인 분석 포인트
밸류체인이 더 구체화될 수록 더 많은 투자기회
해운업의 밸류체인을 심플하게 보면 아래와 같다.
주문자 발주 - 해운회사 - 도착 - 판매 - 소비자
반면, 해운업의 밸류체인을 디테일하게 보면 아래와 같다. 심플하게 봤을 때 놓친 시장들이 어쩌면 좋은 투자의 기회로 이루어질지 모른다.
기름구매 - 보험가입 - 컨테이너 임대 - 배수선 및 확인 - 주문자 모집 - 주문자로부터 해운회사로 배송 -
배송된 짐 집하 - 컨테이너에 실음 - 컨테이너를 배에 산적 - 해운 운송 - 컨테이너 하선 -
컨테이너에서 짐 빼기 - 짐을 최종도착지로 배송 - 주문자 창고 도착 - 판매 - 일반소비자에게 배송
수평적 밸류체인 분석과 수직적 밸류체인 분석
다음과 같은 예를 들어보자. 에널리스트 A씨는 유가가 상승하는 현상을 통해서 사료기업은 B기업에 투자하기로 마음먹었다. 어떠한 사고 프로세스로 유가상승이라는 변수에서 사료기업의 매출상승으로 인과관계가 이어질 수 있었을까? 그답은 수직적 밸류체인의 분석에 있다.
수직적 밸류체인 분석이란, 수평적 밸류체인 중 하나의 청크에 해당하는 시장과 전후방으로 연관되어 기존의 수평적 벨류체인의 산업과 다른 산업의 다른 산업에 속하는 새로운 벨류체인을 분석하는 것이다.

위의 옥수수 밸류체인 분석을 통해 수직적 밸류체인에 대한 감을 익힐 수 있다.
유가가 상승하면, 대체에너지의 수요가 증가한다라는 인과관계는 확률적으로 설득력이 있다. 그렇다면 대체에너지의 수평적 밸류체인을 머리속에 상상해보자. 대체에너지에는 태양력, 풍력, 수력, 바이오 등이 있고 바이오에너지는 주요 원료로써 옥수수를 사용한다.
다음에는 바이오에너지의 수평적 밸류체인 분석에서 벗어나, 옥수수의 밸류체인 분석으로 수직적 사고의 이동을 시도해보자. 옥수수를 이용한 바이오메스 산업에는 옥수수 재배가 포함된다. 이에 따라 옥수수의 밸류체인을 수직적으로 분석해보면, 옥수수를 재배하기 위해 땅, 비료, 농기구, 전력, 물 등의 원자재가 필요하고, 옥수수의 생산량이 증가하므로 비료의 판매량도 당연히 증가함을 추론할 수 있다.
이러한 사고적 어프로치를 통해 에널리스트 A씨는 유가 상승에서 사료기업의 매출상승으로 까지 어프로치할 수 있었다.
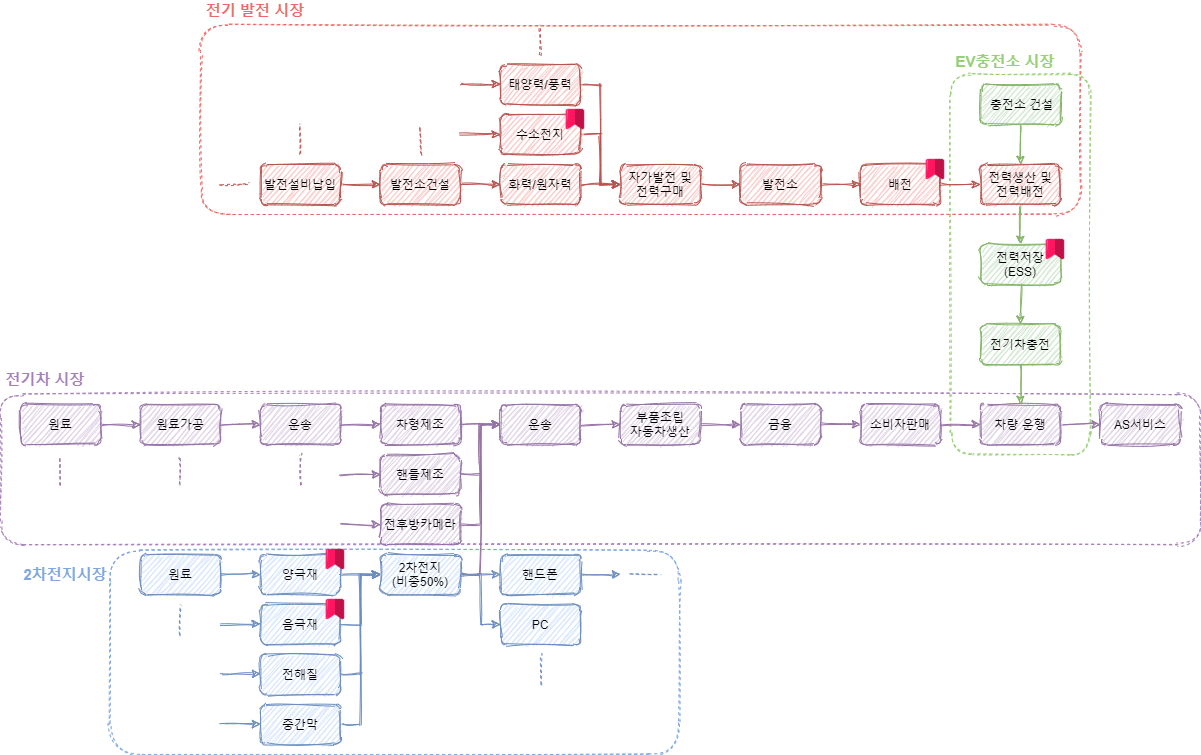
아래는 위와 같은 수직적 밸류체인 분석을 통해 전기차 생태계를 분석한 것이다.

제품에 들어가는 세부부품을 쪼개보면 전체적인 밸류체인을 파악 가능


'Finance Investment > Strategy' 카테고리의 다른 글
| 시장 세그먼트 분석: 산업축, 지역축, 제품축, 벨류체인축 (0) | 2021.07.22 |
|---|---|
| 사회적 욕구분석에 따른 여가활동 트렌드 분석 (0) | 2021.07.13 |
| 주가지수에 영향을 미치는 변수분석 (0) | 2021.01.09 |
| 기업의 구성요소 분석, 기업의 구성요소와 M&A의 목적 연결 (0) | 2020.12.20 |
| 시장과 기업의 매출에 영향을 미치는 변수 분석, QPC분석 (0) | 2020.12.20 |